Vendita Villa Capannori
Pubblicato il 09 marzo 2026 alle ore 21:16














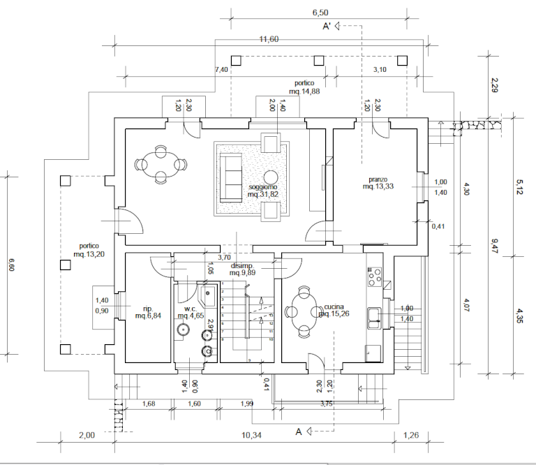
Villa al grezzo a Marlia, su due livelli escluso taverna, così composta: al pian terreno ingresso, soggiorno, sala da pranzo, cucina abitabile, bagno con doccia e ripostiglio, al primo piano due camere matrimoniali con balcone, due camere singole di cui una con balcone e due bagni uno con vasca e uno con doccia. Corredata da giardino di 800 mq circa,veranda, soffitta ad uso ripostiglio e ampia taverna di 120 mq divisa in tre locali più un bagno con boccia.
CLASSE ENERGETICA: In fase di valutazione (Classe Energetica in fase di richiesta)
- Invia ad un amico
- Segnala abuso